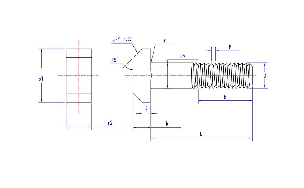
Pernos en T de acero inoxidable DIN 261
| Características de la cabeza | Cuello tipo T estándar |
| Características de la varilla | Riel de ranura integrado deslizante |
| Propósito central | Instalación y extracción rápidas, adecuadas para aplicaciones de carga elevada |
| Ventajas y características | Diseño en forma de T para una fácil instalación y extracción |
| Usos típicos | Aplicaciones de alta carga, instalación y desmontaje rápido, equipos de maquinaria automotriz, ferroviaria. |
| Indicadores clave para la selección | Forma de cabeza en T, longitud del perno, diámetro, tipo de rosca, tratamiento superficial (protección contra la corrosión). |
| Requisitos específicos de la industria | Industria ferroviaria: se utiliza para sujeciones con grandes cargas y necesidades de soportar vibraciones. Equipos de alta carga: adecuados para situaciones que requieren desmontaje rápido y conexiones de alta carga. |














